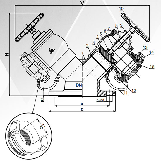
| STT | Bộ phận | Vật liệu | Tiêu chuẩn |
| 1 | Thân van chữ Y (Y-body) | Gang cầu | ASTM A536 / EN GJS 500-7 |
| 2,7,9,14 | Vòng đệm O-Ring | Cao su NBR | Đàn hồi cao, kháng dầu và nhiệt |
| 3 | Thân van chính | Gang cầu | ASTM A536 |
| 4 | Đĩa van | Gang cầu + cao su EPDM | Tăng kín nước |
| 5 | Chốt van | Đồng (Brass) | Commercial |
| 6 | Trục van (Shaft) | Inox AISI 410 | Không gỉ, chịu tải cao |
| 8 | Nắp van (Bonnet) | Gang cầu | ASTM A536 |
| 10 | Tay vặn (Handwheel) | Gang cầu phủ sơn | Bền, thao tác dễ |
| 11 | Cáp an toàn | Inox AISI 410 | Cố định nắp đậy |
| 12 | Bu lông, ốc vít | Inox AISI 304 | Không rỉ |
| 13 | Ngàm ra (Adaptor) | Nhôm hợp kim | TCVN 5739:1993 |
| 15 | Nắp nhựa | Nhựa chịu lực | Commercial |
| Thông số | Giá trị |
| Tên sản phẩm | Van chữa cháy ngoài trời TFHA-0125 – ShinYi |
| Kích thước danh định | DN125 |
| Mã sản phẩm | TFHA-0125-16-D2R |
| Kiểu kết nối | Mặt bích (Flanged) |
| Chuẩn kết nối | BS 4504 / DIN 2632 / DIN 2633 |
| Áp suất làm việc | PN10 / PN16 |
| Nhiệt độ hoạt động | -10°C đến +80°C |
| Sơn phủ | Epoxy Resin Powder (250–300 μm) |
| Tiêu chuẩn sơn | JIS K 5551:2002 / TCVN 9014:2011 |
| Màu sắc | Đỏ (Red) – Dễ nhận diện trong cứu hỏa |
| Môi trường sử dụng | Hệ thống cấp nước PCCC ngoài trời |

| Thông số | Đơn vị | Giá trị |
| H (Chiều cao tổng) | mm | 272 |
| V (Chiều cao tay vặn) | mm | 436 |
| d1 (Ø trong họng ra) | mm | 57 |
| D (Đường kính mặt bích) | mm | 250 |
| K (Khoảng cách tâm lỗ bu lông) | mm | 210 |
| C (Độ dày mặt bích) | mm | 19 |
| n-Ød (Số lỗ – đường kính) | – | 8 – Ø19 mm |
| Ký hiệu | Ý nghĩa |
| TFHA | Van PCCC ngoài trời |
| 0125 | Đường kính danh định DN125 |
| 16 | Áp suất làm việc PN16 |
| D2 | Thân gang cầu |
| R | Màu đỏ (Red) – chuẩn PCCC |
Chưa có sản phẩm
Thêm sản phẩm để yêu cầu báo giá