| Thông số | Giá trị |
| Model | FHFA-0150 |
| Kích thước danh định | DN150 |
| Kiểu kết nối | Mặt bích (FLANGED) |
| Áp suất làm việc | PN10 / PN16 |
| Tiêu chuẩn kết nối | BS 4504, DIN 2632 / DIN 2633 |
| Nhiệt độ làm việc | -10°C ~ +80°C |
| Môi trường sử dụng | Hệ thống cấp nước chữa cháy |
| Sơn phủ | Epoxy Resin Powder |
| Độ dày lớp sơn | 250 ~ 300µm |
| Màu sắc | Đỏ (RED) |
| Tiêu chuẩn thiết kế | TCVN 5739:1993 / TCVN 6379:1998 |

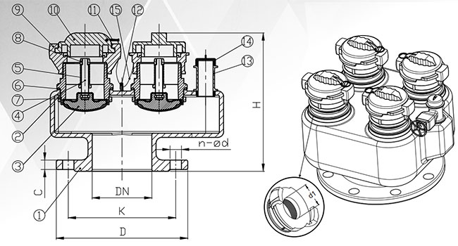
| DN | Model | D | K | C | d1 | H | Số lỗ – Ød |
| 150 | FHFA-0150 | 280 | 240 | 19 | 57 | 278.5 | 8 – Ø23 |
| STT | Bộ phận | Vật liệu | Tiêu chuẩn |
| 1 | Thân van | Gang cầu | ASTM A536 / EN GJS 500-7 |
| 2 | Thân họng tiếp nước | Gang cầu | ASTM A536 / EN GJS 500-7 |
| 3 | Đĩa van | Gang cầu bọc cao su EPDM | ASTM A536 + EPDM |
| 4 | Trục van | Inox AISI 304 / 316 / 420 | AISI |
| 5 | Lò xo | Inox AISI 304 | AISI |
| 6 | Gioăng | Cao su NBR | TCVN |
| 7 | Chặn / Stopper | Gang cầu | ASTM A536 |
| 8 | Ốc vít | Inox AISI 304 | AISI |
| 9 | Adapter | Nhôm đúc | Commercial |
| 10 | Nắp chụp | Nhựa tổng hợp | TCVN 5739 |
| 11–12 | Vòng cố định | Thép Carbon AISI 1025 | AISI 1025 |
| 13 | Van cổng | Đồng thau | Commercial |
| 14 | Nắp phụ | Nhựa | Commercial |
| 15 | Dây xích giữ nắp | Thép Carbon AISI 1025 | AISI 1025 |
Chưa có sản phẩm
Thêm sản phẩm để yêu cầu báo giá