Thiết bị An toàn Công nghiệp ISO 9001 LOTO Certified OSHA Compliant
2021-05-13
Hàng chính hãng Đầy đủ CO/CQ Bảo hành chính hãng

Tời cáp quay tay 2000kg Maxpull GM-20

SKU: Maxpull GM-20
Tời quay tay Nhật Bản 2000kg Maxpull GM-20
Thông số kỷ thuật 
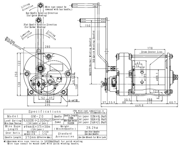
- Mã sản phẩm: GM-20
- Thương hiệu : Maxpull
- Xuất xứ : Nhật Bản
- Loại: Tời quay tay
- Vật liệu : Thép mạ kẽm
- Công suất tối đa: 19600N (2000kgf) 6φ Cuộn dây đến lớp thứ 3
- Dung lượng trống : φ9x38m (5 lớp)
- Đường kính dây: φ9mm (6X37)
- Tỷ số truyền : 1 / 20
- Lực tay cầm (lớp thứ nhất): 157N (16,0 kgf)
- Lực tay cầm (lớp thứ 2): 186N (18,9 kgf)
- Lực tay cầm (lớp thứ 3): 214N (21,8 kgf)
- Chiều dài tay quay : 300mm

- Xử lý bề mặt: mạ kẽm nhúng nóng nên có khả năng chống gỉ sét, có thể sử dụng ở mọi nơi và độ bền vô song.
- Phanh : Phanh tự động có độ an toàn vượt trội, và sử dụng một tang trống đặc biệt, phương pháp neo dây cáp vào tang trống cũng là một biện pháp an toàn không hỏng hóc
- Trọng lượng: 28.2 kg
GIÁ THAM KHẢO
Thương hiệu
Xuất xứ
Cái
Tư vấn kỹ thuật:
Thông tin sản phẩm

Tời cáp quay tay 2 tấn Maxpull GM-20

Tời quay tay Maxpull GM Series sản phẩm chất lượng nhập khẩu từ Nhật Bản. Được trang bị hệ thống phanh tự động và hệ thống phanh cơ, tay lái có thể xoay 360 độ, có thể nâng được trọng lượng tối đa từ 100 - 3000 kg, có 6 model để bạn lựa chọn gồm GM-1, GM-3, GM-5, GM-10, GM-20 và GM-30.
tời kéo tay maxpull loại GM

Ưu điểm và đặc điểm của tời quay tay Maxpull dòng GM thép mạ kẽm

Tời tay maxpull loại GM còn thường được gọi là tời bằng tay loại GM, so với các loại tời bằng tay thông thường, nó có các đặc điểm sau:
Tời quay tay Nhật Bản 100kg Maxpull GM 1

Dễ vận hành
Nếu bạn so sánh sản phẩm của chúng tôi với các sản phẩm khác, lực tay cầm trong quá trình vận hành là rất nhỏ và công việc dễ dàng vì hiệu quả cơ học cao. Tời này nhẹ và rất thuận tiện để mang theo vì thiết kế nhỏ gọn. Người dùng có thể lắp đặt bộ tời một cách dễ dàng bằng cách sử dụng các bu lông tiêu chuẩn. Ngoài ra, từng bộ phận được làm bằng công việc ép và toàn bộ tời được lắp ráp bằng bu lông nên dễ dàng tháo rời. Bất cứ ai cũng có thể sửa chữa và lắp ráp tời này bằng cách chỉ cần mua các bộ phận thay thế cần thiết và lắp đặt chúng theo hướng dẫn trong sách hướng dẫn.
 Độ bền vượt trội
Vòng bi chỉ từ các nhà sản xuất hàng đầu được sử dụng cho tất cả các vòng bi. Vòng bi cho phép nâng hạ êm ái và chống mài mòn vượt trội. Bánh răng chuyển số cấu hình độc đáo của chúng tôi được thực hiện xử lý nhiệt đặc biệt được sử dụng cho hộp giảm tốc và nó cho phép bạn làm việc an toàn. Phanh tự động có độ bền vượt trội vì có cơ cấu điều chỉnh được khe hở theo ý muốn. Kết thúc nung được thực hiện trên bề mặt có khả năng chống gỉ. Nó mạnh mẽ và có thể được sử dụng ở bất kỳ vị trí nào.
An toàn đáng tin cậy
Chất liệu được lựa chọn cẩn thận cũng như thiết kế và công nghệ tiên tiến mang đến độ an toàn cực cao. Chúng tôi đã nâng cao sức mạnh của các bộ phận nơi chịu tải trọng mạnh bằng cách kết hợp một tấm sườn hoặc tấm kép được gia công ép chính xác. Một cơ cấu an toàn dự phòng được sử dụng cho phanh cơ, vì vậy nó không bao giờ chuyển sang trạng thái không phanh ngay cả khi tác động lên một tay chặn. Phương pháp neo dây cáp vào tang trống là một kết cấu an toàn khi hỏng hóc với một tang trống đặc biệt mà một cuộn dây bảo dưỡng bổ sung được duy trì. Người dùng có thể neo đầu dây vào tang trống một cách dễ dàng và chắc chắn bằng cách sử dụng cờ lê lục giác kèm theo. Tất cả các tính năng trên đều được kích hoạt nhờ vào thiết kế an toàn đáng tin cậy độc đáo của chúng tôi.
Ưu điểm của tời quay tay so với Palang xích kéo tay
tời quay tay Maxpull loại GM Nhật Bản

Thông số kỷ thuật của tời quay tay Maxpull GM-20

- Mã sản phẩm: GM-20
- Thương hiệu : Maxpull
- Xuất xứ : Nhật Bản
- Loại: Tời quay tay
- Vật liệu : Thép mạ kẽm
- Công suất tối đa: 19600N (2000kgf) 6φ Cuộn dây đến lớp thứ 3
- Dung lượng trống : φ9x38m (5 lớp)
- Đường kính dây: φ9mm (6X37)
- Tỷ số truyền : 1 / 20
- Lực tay cầm (lớp thứ nhất): 157N (16,0 kgf)
- Lực tay cầm (lớp thứ 2): 186N (18,9 kgf)
- Lực tay cầm (lớp thứ 3): 214N (21,8 kgf)
- Chiều dài tay quay : 300mm

- Xử lý bề mặt: mạ kẽm nhúng nóng nên có khả năng chống gỉ sét, có thể sử dụng ở mọi nơi và độ bền vô song.
- Phanh : Phanh tự động có độ an toàn vượt trội, và sử dụng một tang trống đặc biệt, phương pháp neo dây cáp vào tang trống cũng là một biện pháp an toàn không hỏng hóc
- Trọng lượng: 28.2 kg
toi cap quay tay maxpull gm 20 2 tan

Mã sản phẩm

Tải trọng

Dung lượng trống

Chiều dài tay cầm (Hiệu quả tối đa)

Số lớp của dây cáp

MAXPULL GM-1

100 kg

5mm x 35m (6 lớp)

250 mm

Lớp thứ nhất: 143N (14,6 kgf)

Lớp thứ 3: 187N (19,0 kgf)

Lớp thứ 4: 208N (21,2 kgf)

MAXPULL GM-3

300 kg

6mm x 32m (6 lớp)

250 mm

Lớp thứ nhất: 76N (7,7 kgf)

Lớp thứ 3: 103N (10,5 kgf)

Lớp thứ 5: 131N (13,3 kgf)

MAXPULL GM-5

500 kg

6mm x 40m (6 lớp)

250 mm

Lớp thứ nhất: 109N (11,1 kgf)

Lớp thứ 3: 142N (14,4 kgf)

Lớp thứ 5: 174N (17,7 kgf)

MAXPULL GM-10

1.000 kg

8mm x 35m (5 lớp)

300 mm

Lớp thứ nhất: 133N (13,5 kgf)

Lớp thứ 2: 157N (16,0 kgf)

Lớp thứ 3: 182N (18,5 kgf)

MAXPULL GM-20

2.000 kg

9mm x 38m (5 lớp)

370 mm

Lớp thứ nhất: 157N (16,0 kgf)

Lớp thứ 2: 186N (18,9 kgf)

Lớp thứ 3: 214N (21,8 kgf)

MAXPULL GM-30

3.000 kg

12mm x 35m (4 lớp)

370 mm

Lớp thứ nhất: 137N (13,9 kgf)

Lớp thứ 2: 169N (17,2 kgf)

Lớp thứ 3: 201N (20,5 kgf)

Lưu ý: Tời kéo tay Maxpull Nhật Bản loại GM có thể được tùy chỉnh theo mục đích sử dụng của các loại tời kéo tay khác nhau, chẳng hạn như: phanh gắn trong (SI), loại chống bụi và chống thấm nước (SIC), loại không ồn (NSIL), loại thuận tay trái tay cầm (LUSI), lực kéo hai dây (NWD), hình ảnh giới thiệu và sản phẩm có thể tham khảo: Tùy chỉnh tời quay tay mạnh mẽ MAXPULL

Ứng dụng của tời quay tay Maxpull loại GM Nhật Bản

Tời có thể tự cứu hộ trong môi trường khắc nghiệt như tuyết, đầm lầy, sa mạc, bãi biển và đường núi lầy lội, đồng thời có thể thực hiện các thao tác như dọn chướng ngại vật, kéo vật và lắp đặt các phương tiện như tời thủ công trong các điều kiện khác.
Tời quay tay Nhật Bản 200kg Maxpull GM 2

Chính sách chất lượng

- "Mục tiêu của chúng tôi là cung cấp các sản phẩm hài lòng cho khách hàng của chúng tôi."
- Chính sách chất lượng này dựa trên chính sách quản lý của chúng tôi rằng "Mục tiêu của chúng tôi là cung cấp cho khách hàng những sản phẩm an toàn và ưng ý."
- Chúng tôi phải tiếp tục nâng cao chất lượng và thách thức chất lượng cao bằng cách học hỏi theo yêu cầu của khách hàng, tiếp tục nghiên cứu và phát triển của tất cả nhân viên và củng cố hệ thống quản lý.

Thông tin thương hiệu MAXPULL

- Thương hiệu “Maxpull” sản xuất tại Nhật Bản chiếm lĩnh hơn 70% thị phần của thị trường thiết bị vận thăng tại Nhật Bản. Maxpull là tời số một của Nhật Bản với tính an toàn số 1.
- Từ khi trở thành nhà sản xuất chuyên ngành năm 1997, Maxpull đã liên tục nỗ lực phấn đấu để tạo thêm những thiết bị tời kéo( tời tay, tời điện) hiệu suất cao hơn, an toàn hơn và có độ bền vững hơn.

Đánh giá sản phẩm
Mã bảo mật

 

T2-T7: 8H–17H30
phone KD 01: 0912.124.679 phone KD 02: 0938.125.206 hotline HOTLINE: 0912.124.679 Zalo Zalo Facebook Facebook
Bạn đã không sử dụng Site, Bấm vào đây để duy trì trạng thái đăng nhập. Thời gian chờ: 60 giây