Tời điện BMW-SC MAXPULL được nhập khẩu từ Nhật Bản, sử dụng thiết kế ly hợp khéo léo, dễ vận hành, an toàn và đáng tin cậy. Tời điện thích hợp cho các hoạt động cuộn dây thường xuyên.
Tời điện có ly hợp chia lưới thích hợp cho công việc thường xuyên tháo cuộn dây.
Ly hợp vấu(dog clutch)
Tời điện BMW-SC MAXPULL sử dụng ly hợp vấu, được tiêu chuẩn hóa bằng cách lắp ly hợp trên dòng BMW xoay. Chỉ cần vận hành một đòn bẩy, trống có thể được đưa vào trạng thái trung lập. Ngoài ra, bộ ly hợp được thiết kế tinh xảo, dễ vận hành, an toàn và đáng tin cậy. Vì không áp dụng tải quay của động cơ và bộ giảm tốc nên công việc cuộn dây có thể dễ dàng thực hiện và nó thích hợp cho các hoạt động tháo cuộn dây thường xuyên.
Tời song song với động cơ tích hợp
Bộ tời điện của tời điện BMW-SC MAXPULL được kết nối song song với động cơ và tang trống được tích hợp sẵn. Động cơ được truyền động trực tiếp bởi một hộp số giảm tốc được thiết kế chính xác, do đó có thể đạt được lực kéo mạnh và ổn định. Hộp số được xử lý nhiệt đặc biệt trên nền đúc hợp kim nhôm nên nhẹ hơn rất nhiều so với các sản phẩm truyền thống và có thể lắp đặt trong không gian nhỏ hẹp mà không tốn diện tích.
- Mô tơ, cơ cấu giảm tốc, phanh điện từ,… của tời điện BMW-SC đều được làm bằng hợp kim nhôm đúc, có khả năng chống gỉ sét rất tốt, có thể chịu mưa, gió, chống bụi.
- Tời điện BMW-SC MAXPULL sử dụng phanh điện từ hiệu suất cao giúp tạo lực phanh mạnh mẽ.
- Có thể lắp đặt dây cáp một cách dễ dàng và chắc chắn chỉ bằng cách luồn dây qua hai lỗ dây trên ống trống và siết chặt các chốt.
- Tời điện BMW-SC sử dụng điện áp 200V ba pha công nghiệp.
Biểu tượng đóng mở ly hợp tời điện BMW-SC:

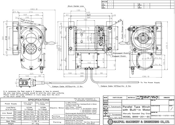
| Mã sản phẩm | BMW-201-SC | |
| Tần số | 50Hz | 60Hz |
| Lực căng dây (lớp 1) | 1274N (130kgf) | 1078N (110kgf) |
| Lực căng dây (lớp thứ 3) | 1274N (130kgf) | 1078N (110kgf) |
| Lực căng dây (lớp thứ 5) | 1078N (110kgf) | 882N (90kgf) |
| Tốc độ nâng (lớp 1) | 10,8 m / phút | 12,9 m / phút |
| Tốc độ nâng (lớp thứ 3) | 13,5 m / phút | 16,1 m / phút |
| Tốc độ nâng (lớp 5) | 16,2 m / phút | 19,4 m / phút |
| Dung lượng trống (lớp 1) | φ6x7.0m | |
| Dung lượng trống (lớp 3) | φ6x23.6m | |
| Dung lượng trống (lớp 5) | φ6x43.8m | |
| Đường kính dây | 6mm (6x37) (Tiêu chuẩn công nghiệp Nhật Bản) | |
| Tỉ số truyền | 1 / 40.3 | |
| Loại động cơ | Loại tự làm mát hoàn toàn khép kín: Động cơ tích hợp | |
| Công suất | 0,4 kw | |
| Số cực | 4 P | |
| Điện áp và dòng điện | AC200V ba pha 50Hz 2.2A | AC200V 60Hz 1.9A ba pha |
| Phanh | Phanh điện từ đóng lò xo | |
| Tỷ lệ phanh hãm | 150% trở lên | |
| Tỷ lệ thời gian tải | 40% ED | |
| Phương pháp điều khiển | Hoạt động trực tiếp với công tắc nút nhấn 2 điểm (cáp hoạt động 2m㎡ x 4 lõi x 2,5m, cáp nguồn 2m㎡ x 4 lõi x 2,5m) | |
| Trọng lượng | 47,3 kg | |

- Tời điện 200V ba pha BMW-SC của Nhật Bản được sử dụng rộng rãi trên các xe địa hình, xe công nông, xe thể thao ATV, du thuyền và các loại xe chuyên dụng khác, là thiết bị tự bảo vệ và bám đường cho xe cộ, tàu thủy;

- Tời điện loại BMW-SC được sử dụng để dỡ hàng hóa tại cảng, bạn có thể nhanh chóng rút dây cáp và dỡ hàng lên tàu.

Ví dụ ứng dụng:
Cần trục, tời, đào đắp, xây dựng nhà cửa, công trình điện, sơn, trát tường, tời gạch, lâm nghiệp, đánh bắt cá, công nghiệp vận tải biển, kho bãi, dịch vụ lợp mái, hệ thống ống nước, tháo dỡ và lắp ráp ô tô, nhiều nhà máy, nhà máy sắt, v.v.
(1) Nới lỏng 4 vít nắp đầu của nút ổ cắm hình lục giác M6 (với vòng đệm lò xo) và tháo tấm neo dây.

(2) Luồn phần cuối của sợi dây qua một lỗ để cuộn dây bảo dưỡng thêm trên tang trống theo hướng được chỉ ra bởi mũi tên và kéo sợi dây. Cuộn dây cáp trên trống hơn 5 lần mà không có khe hở. Nó được thể hiện trong"Cuộn dây bảo dưỡng".

(3) Uốn đầu dây kẽm khoảng 7cm bằng cách dùng kìm sao cho vừa rãnh của tấm neo dây.

(4) Che đầu dây bằng tấm neo dây sau khi đã lắp dây vào rãnh dẫn dây trên tấm trống, Cố định nó bằng 4 vít nắp đầu hình lục giác M6 (với vòng đệm lò xo xoắn) như trước khi tháo.

* "Cuộn dây bảo dưỡng"

- Trạng thái của dây vẫn còn trên tang khi dây không được buộc cho đến khi đạt đến độ cao nâng quy định.
- Mục đích là để giảm lực kéo tác dụng lên đầu dây và tấm neo dây do tác dụng của quấn dây.
- Thương hiệu “Maxpull” sản xuất tại Nhật Bản chiếm lĩnh hơn 70% thị phần của thị trường thiết bị vận thăng tại Nhật Bản. Maxpull là tời số một của Nhật Bản với tính an toàn số 1.
- Từ khi trở thành nhà sản xuất chuyên ngành năm 1997, Maxpull đã liên tục nỗ lực phấn đấu để tạo thêm những thiết bị tời kéo( tời tay, tời điện) hiệu suất cao hơn, an toàn hơn và có độ bền vững hơn.
Chưa có sản phẩm
Thêm sản phẩm để yêu cầu báo giá