Công suất được truyền trực tiếp bằng hộp giảm tốc được thiết kế công phu, chuyển thành lực kéo mạnh và ổn định. Vỏ hộp số được sử dụng nhẹ hơn và nhỏ hơn nhiều so với những hộp số hiện có vì quá trình xử lý nhiệt đặc biệt được thực hiện để đúc hợp kim nhôm. Ngoài ra, bộ tời này còn có khả năng chống bụi, chống rỉ sét và chống mưa rất tốt, không tốn nhiều diện tích để lắp đặt.
Tời điện loại song song có gắn động cơ ( Động cơ lắp sẵn và tang trống được bố trí song song trên tời điện này.)
Khả năng hoạt động dễ dàng
Hộp động cơ của tời điện MAXPULL BMW được kết nối song song với động cơ và tang trống tích hợp. Động cơ được truyền động trực tiếp bởi một hộp giảm tốc được thiết kế chính xác, do đó có thể đạt được lực kéo mạnh và ổn định. Hộp số được xử lý nhiệt đặc biệt trên nền đúc hợp kim nhôm nên nhẹ hơn rất nhiều so với các sản phẩm truyền thống và có thể lắp đặt trong không gian nhỏ hẹp mà không tốn diện tích.
Độ bền vượt trội
- Khung đúc hợp kim nhôm nhẹ và chắc chắn có thiết kế và chức năng vừa chống bụi, chống rỉ sét, không thấm nước, không ồn.
- Động cơ, cơ cấu giảm tốc, phanh điện từ và các thành phần khác là sản phẩm của khung hợp kim nhôm , do đó có tính tự làm mát cao và tản nhiệt tốt
An toàn đáng tin cậy
Vì nó sử dụng phanh điện từ hiệu suất cao nguyên bản của Maxpull, được hợp tác phát triển với một nhà sản xuất phanh, lực phanh cực kỳ cao và nó cũng hiệu quả cho các công việc chi tiết. Ngoài ra, dây cáp được cố định vào tang trống bằng cấu trúc an toàn kép sử dụng tang trống đặc biệt đảm bảo cuộn dây loại bỏ. Việc cố định đầu dây vào tang trống có thể được thực hiện dễ dàng và chắc chắn bằng cờ lê hình chữ L lục giác.
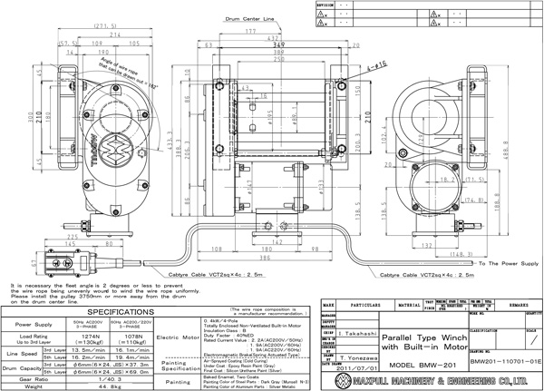
| Mã sản phẩm | BMW-201 | |
| Tần số | 50Hz | 60Hz |
| Lực căng dây (lớp thứ 1) | 1274N (130kgf) | 1078N (110kgf) |
| Lực căng dây (lớp thứ 3) | 1274N (130kgf) | 1078N (110kgf) |
| Lực căng dây (lớp thứ 5) | 1078N (110kgf) | 882N (90kgf) |
| Tốc độ nâng (lớp 1) | 10,8 m / phút | 12,9 m / phút |
| Tốc độ nâng (lớp thứ 3) | 13,5 m / phút | 16,1 m / phút |
| Tốc độ nâng (lớp 5) | 16,2 m / phút | 19,4 m / phút |
| Dung lượng trống (lớp 1) | φ6x11.0m | |
| Dung lượng trống (lớp 3) | φ6x37.3m | |
| Dung lượng trống (lớp 5) | φ6x69.0m | |
| Đường kính dây | 6mm (6x24) (Tiêu chuẩn công nghiệp Nhật Bản JIS) | |
| Tỉ số truyền | 1 / 40.3 | |
| Loại động cơ | Loại tự làm mát hoàn toàn khép kín: Động cơ tích hợp | |
| Công suất | 0,4 kw | |
| Số cực | 4 P | |
| Điện áp và dòng điện | AC200V ba pha 50Hz 2.2A | AC200V ba pha 60Hz 1.9A |
| Phanh | Phanh điện từ đóng lò xo | |
| Tỷ lệ phanh hãm | 150% trở lên | |
| Tỷ lệ thời gian tải | 40% ED | |
| Phương pháp điều khiển | Hoạt động trực tiếp với công tắc nút nhấn 2 điểm (cáp hoạt động 2m㎡ x 4 lõi x 2,5m, cáp nguồn 2m㎡ x 4 lõi x 2,5m) | |
| Trọng lượng | 44,8 kg | |

Do là loại song song với hai dãy động cơ và tang trống nên có kết cấu nhỏ gọn, lắp đặt được trong không gian hẹp mà không tốn diện tích. Được ứng dụng để nâng / hạ và kéo các vật nặng dùng trong công nghiệp

Ví dụ ứng dụng:
Cần trục, tời, đào đắp, xây dựng nhà cửa, công trình điện, sơn, trát tường, tời gạch, lâm nghiệp, đánh bắt cá, công nghiệp vận tải biển, kho bãi, dịch vụ lợp mái, hệ thống ống nước, tháo dỡ và lắp ráp ô tô, nhiều nhà máy, nhà máy sắt, v.v.
(1) Nới lỏng 4 vít nắp đầu của nút ổ cắm hình lục giác M6 (với vòng đệm lò xo) và tháo tấm neo dây.

(2) Luồn phần cuối của sợi dây qua một lỗ để cuộn dây bảo dưỡng thêm trên tang trống theo hướng được chỉ ra bởi mũi tên và kéo sợi dây. Cuộn dây cáp trên trống hơn 5 lần mà không có khe hở. Nó được thể hiện trong"Cuộn dây bảo dưỡng".

(3) Uốn đầu dây kẽm khoảng 7cm bằng cách dùng kìm sao cho vừa rãnh của tấm neo dây.

(4) Che đầu dây bằng tấm neo dây sau khi đã lắp dây vào rãnh dẫn dây trên tấm trống, Cố định nó bằng 4 vít nắp đầu hình lục giác M6 (với vòng đệm lò xo xoắn) như trước khi tháo.

* "Cuộn dây bảo dưỡng"

- Trạng thái của dây vẫn còn trên tang khi dây không được buộc cho đến khi đạt đến độ cao nâng quy định.
- Mục đích là để giảm lực kéo tác dụng lên đầu dây và tấm neo dây do tác dụng của quấn dây.
- Thương hiệu “Maxpull” sản xuất tại Nhật Bản chiếm lĩnh hơn 70% thị phần của thị trường thiết bị vận thăng tại Nhật Bản. Maxpull là tời số một của Nhật Bản với tính an toàn số 1.
- Từ khi trở thành nhà sản xuất chuyên ngành năm 1997, Maxpull đã liên tục nỗ lực phấn đấu để tạo thêm những thiết bị tời kéo( tời tay, tời điện) hiệu suất cao hơn, an toàn hơn và có độ bền vững hơn.
Chưa có sản phẩm
Thêm sản phẩm để yêu cầu báo giá