
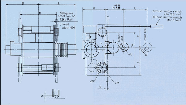
1. Cửa sổ kiểm tra dành cho bánh răng
Có thể kiểm tra tình trạng bề mặt răng bánh răng và bôi trơn bằng mắt. Độ chính xác của việc kiểm tra sẽ được tăng lên.
2. Bộ giảm tốc
Hệ thống bôi trơn bằng mỡ được áp dụng. Palăng được bôi trơn trước khi vận chuyển và không cần bổ sung dầu mỡ trong quá trình vận hành, đảm bảo thời gian sử dụng lâu dài. Hệ thống khối xây dựng sáng tạo tạo điều kiện cho việc bảo trì và kiểm tra.
3. Bộ phận phanh phụ
Nếu lực phanh của hệ thống phanh chính bị hỏng hoặc trục động cơ bị gãy, phanh phụ mới được phát triển sẽ ngăn chặn việc giảm tải. Cùng với phanh có thiết bị điều chỉnh tự động, thiết bị phanh phụ này tạo thành một cơ cấu phanh kép tích cực.
4. Trống và rọc bằng thép
Tuổi thọ của trống cho 2 nhánh và 4 nhánh (2 tấn và 3 tấn), và rọc kéo dài hơn khoảng ba lần so với các sản phẩm thông thường của công ty, vì rãnh của chúng được xử lý bằng phương pháp ép đặc biệt.
5. Hộp điều khiển
Bộ đếm cho thời gian bắt đầu ghi nhớ
Bộ đếm cho biết tổng thời gian bắt đầu nâng và hạ rất hữu ích để bảo trì các bộ phận tiêu hao như bộ tiếp điểm điện từ, dây cáp và đế phanh, v.v.
Công tắc điện từ với khóa liên động cơ học
Có thể ngăn chặn hoạt động sai sót.
Công tắc giới hạn kép
Khi khối tải đã đạt đến giới hạn trên, mạch điều khiển của công tắc điện từ được tắt và ngừng hoạt động. Nếu mạch ngắn mạch và khối tải được di chuyển lên trên, mạch chính của động cơ sẽ bị cắt.
Phương pháp kẹp
Phương pháp kẹp của nắp hộp điều khiển tạo điều kiện thuận lợi cho việc đóng mở.
6. Bộ phận động cơ
Mỗi palăng được trang bị một động cơ cung cấp mô-men xoắn khởi động tối ưu cho palăng và lớp cách điện loại B. Sử dụng quạt làm mát và ổ bi công suất lớn, động cơ có thể chịu được các điều kiện vận hành khắc nghiệt. Động cơ tời kéo được cung cấp một bộ bảo vệ nhiệt cảm nhận nhiệt của cuộn dây động cơ và có chức năng bảo vệ động cơ khỏi những hư hỏng do cháy gây ra do làm việc quá mức.
7. Bộ phanh chính
Phanh được trang bị thiết bị điều chỉnh tự động, và được điều chỉnh tự động tương ứng với lượng mài mòn của lớp lót. Không cần điều chỉnh phanh.
Chi tiết kỹ thuật tiêu chuẩn của Palang cáp điện dầm đôi Hitachi
| Mã sản phẩm | 3HD-T55 | |||
| Tải trọng (tấn) | 3 | |||
| Chiều cao nâng(m) | 12 | |||
| Palăng | Tốc độ (m/phút) | 50Hz | 7.5 | |
| 60Hz | 9 | |||
| Động cơ | (Kw) | 50Hz | 4.2 | |
| 60Hz | 5 | |||
| Số cực | 4 | |||
| Con chạy | Tốc độ (m/phút) | 50Hz | 21 | |
| 60Hz | 25 | |||
| Động cơ | (Kw) | 50Hz | 0.45 | |
| 60Hz | 0.55 | |||
| Số cực | 4 | |||
| Cáp | Số nhánh cáp | 4 | ||
| Loại cáp | 6 × Fi(29) - B | |||
| Đường kính cáp (mm) | Ø10 | |||
| Rating | 40% ED, 400 starts/h | |||
| Phương thức hoạt động | ||||
| Nguồn điện (3-phase) | 380V/50Hz | |||
| Điện áp điều khiển | 200V/50Hz | |||

| Mã sản phẩm | 3HD-T55 | |
| Mã Palăng | 3HD5 | |
| Mã Con chạy | 3DT5 | |
| Tải trọng (tấn) | 3 | |
| Kích thước (mm) | L | 12,000 |
| H | 360 | |
| K | 480 | |
| R | 950 | |
| F | 430 | |
| E | 450 | |
| W | 650 | |
| A | 915 | |
| B | 730 | |
| Ød | 71 | |
| ØM | 51 | |
| ØN | 160 | |
| G | 26 | |
| L | 325 | |
| a | 42 | |
| Dầm (mm) | Thanh thép hình vuông 38 hoặc thanh ray 12 kg | |
| Chiều rộng rãnh (mm) | 49 | |
| Trọng lượng (kg) | 490 | |
Chưa có sản phẩm
Thêm sản phẩm để yêu cầu báo giá