

| MÃ SẢN PHẨM/CODE | WBCX | |
| KÍCH THƯỚC/SIZE | DN50 - DN1200 | |
| SƠN/PAINT | Loại Sơn/Type | EPOXY |
| Độ Dầy/Thickness | ≥300µm | |
| Màu Sắc/Color | XANH | ĐỎ | THEO YÊU CẦU BLUE | RED | AS REQUIREMENT | |
| TIÊU CHUẨN THIẾT KẾ/DESIGN STANDARD | API 594 | |
| KHOẢNG CÁCH GIỮA 2 MẶT BÍCH/FACE TO FACE STANDARD | BS EN 558-1 TABLE 1 SERIES 16 | |
| ISO 5752 TABLE 1 SERIES 16 | ||
| DIN 3202-1 SERIES K3 | ||
| TIÊU CHUẨN MẶT BÍCH VÀ ÁP SUẤT LÀM VIỆC/FLANGE STANDARD AND PRESSURE RATING | BS EN1092-2 | PN10/PN16 |
| ISO 7005-2 | ||
| JIS B2220 | JIS 10K/16K | |
| ASME B16.42 | 125-LB WP-232PSI | |
| NHIỆT ĐỘ LÀM VIỆC/WORKING TEMP | -10 ~ 80 oC | |
| MÔI TRƯỜNG LÀM VIỆC/WORKING FLOW | NƯỚC SẠCH, NƯỚC THẢI, NƯỚC NHIỄM MẶN | |
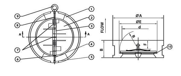
| PART LIST & MATERIALS | |||
| Part No. | Description | Materials | Materials Code |
| 1 | Body | Ductile Iron | ASTM A536/EN GJS 500-7 |
| 2 | Disc | Stainless Steel | ASTM A351 CF8/CF8M |
| 3 | Spring | Stainless Steel | ASTM A313/304/326 |
| 4 | Hinge Pin | Stainless Steel | AISI 304/316 |
| 5 | Plug | Stainless Steel | AISI 1045 |
| 6 | Body Bearing | Plastic | PTFE |
| 7 | Spring Bearing | Plastic | PTFE |
| 8 | Stop Pin | Stainless Steel | AISI 304/316 |
| 9 | Eye Bolt | Carbon Steel | AISI 1045 |
| 10 | Body Seat | Rubber | NBR EPDM / Viton Neoprene |

| DIMENSIONS | |||||||||
| SIZE | B | E | F | R | d | A | Weight (kg) | ||
| DN | in | PN10 | 150lb | ||||||
| 50 | 2 | 43 | 65 | 190 | 28.8 | 43.3 | 107 | 102 | 1.5 |
| 65 | 2 1/2 | 46 | 80 | 20 | 36.1 | 60.2 | 127 | 121 | 2.4 |
| 80 | 3 | 64 | 94 | 28 | 43.4 | 66.4 | 142 | 133 | 3.6 |
| 100 | 4 | 64 | 117 | 27 | 52.8 | 90.8 | 162 | 171 | 5.7 |
| 125 | 5 | 70 | 145 | 30 | 65.7 | 116.9 | 192 | 193 | 7.3 |
| 150 | 6 | 76 | 170 | 31 | 78.6 | 144.6 | 218 | 219 | 9 |
| 200 | 8 | 89 | 224 | 33 | 104.4 | 198.2 | 273 | 276 | 17 |
| 250 | 10 | 114 | 265 | 50 | 127 | 233.7 | 328 | 336 | 26 |
| 300 | 12 | 114 | 210 | 43 | 148.3 | 283.9 | 378/382 | 406 | 42 |
| 350 | 14 | 127 | 360 | 45 | 172.4 | 332.9 | 438/442 | 446 | 55 |
| 400 | 16 | 140 | 410 | 52 | 197.4 | 381 | 488/495 | 511 | 75 |
| 450 | 18 | 152 | 450 | 58 | 217.8 | 419.9 | 538/555 | 546 | 107 |
| 500 | 20 | 152 | 505 | 59 | 241 | 467.8 | 592/617 | 603 | 111 |
| 600 | 24 | 178 | 624 | 73 | 295.4 | 572.6 | 695/734 | 714 | 172 |
| 700 | 28 | 229 | 720 | 98 | 354 | 680 | 809 | 828 | 219 |
| 800 | 32 | 241 | 825 | 100 | 398 | 770.5 | 916 | 936 | 316 |
Chưa có sản phẩm
Thêm sản phẩm để yêu cầu báo giá