Thiết bị An toàn Công nghiệp ISO 9001 LOTO Certified OSHA Compliant
2020-04-10
Hàng chính hãng Đầy đủ CO/CQ Bảo hành chính hãng

Van hút DN500 SHINYI SFVX-0500

SKU: SHINYI SFVX-0500
Rọ bơm DN500 SHIN YI SFVX-0500
Thông số kỹ thuật

- Mã Hàng : SFVX-0500
- Thương hiệu : SHIN YI/ TAIWAN
- Xuất xứ : Việt Nam
- Kích Thước : DN500
- Áp Suất Làm Việc : PN10/PN16; JIS 10K/16K; ANSI 150-LB
- Nhiệt Độ Làm Việc : -10 ~ 80 ºC
- Môi Trường Làm Việc : Nước, Nước Thải, Nước Nhiễm Mặn
- Tiêu Chuẩn Thiết Kế : BS EN 1074-3
- Khoảng Cách Giữa 2 Mặt Bích : BS EN 558-1 TABLE 1 SERIES 10; ASME B16.10
- Tiêu Chuẩn Mặt Bích/Kết Nối : BS EN 1092-2; ISO 7005-2; ASME B16.42; JIS B2220
 
GIÁ THAM KHẢO
Bao
Tư vấn kỹ thuật:
Thông tin sản phẩm
Van hút DN500 SHINYI SFVX-0500
Van hút (rọ bơm) là loại van kết hợp giữa van một chiều lò xo và bộ lọc rác, được lắp dưới đáy các bể bơm, hồ chứa giúp lọc rác và ngăn dòng chảy ngược khi bơm ngưng hoạt động. Van vận hành toàn tự động, và được kết nối vào hệ thống dạng mặt bích.
Van hút SHINYI SFVX 1

Cấu tạo:
Van hút được cấu tạo bởi 04 thành phần chính là thân van, ty van, lá van và lưới lọc
- Thân van: được đúc từ gang cầu FCD450, hai mặt được phủ bởi lớp sơn epoxy cao cấp với độ dày ≥300 μm
- Lá van: dạng đĩa tròn được bọc 100% bằng cao su EPDM phù hợp với tiêu chuẩn nước sạch.
- Ty van: sản xuất từ Inox 304 độ bền cao chống rỉ sét.
- Lưới lọc: sản xuất từ Inox 304/316, độ bền cao, chống rỉ sét
Van hút SHINYI SFVX 2

Nguyên lý hoạt động:
Van hút hoạt động như van một chiều lò xo, khi bơm vận hành áp lực nước sẽ đẩy lá van, lò xo bị nén lại, van ở trạng thái mở cho nước đi vào hệ thống. Lưới lọc có tác dụng ngăn không để rác đi vào hệ thống gây kẹt van, các phụ kiện khác dẫn đến rò rỉ nước. Khi bơm ngưng hoạt động, van hút có tác dụng ngăn dòng chảy ngược, giữ nước lại trong đường ống, tránh mất nước mồi cho máy bơm.
Ưu điểm:
- Vận hành tự động dựa vào lực chảy của dòng nước, vận hành nhẹ nhàng, không gây tiếng ồn.
- Van được sản xuất từ gang cầu FCD450, Inox 304/316 chống rỉ sét, an toàn cho nguồn nước sạch.
- Giá thành rẻ, trọng lượng van nhẹ, thiết kế gọn, ít tốn diện tích khi lắp đặt.
Lưu ý khi lắp đặt:

Van hút được lắp đặt vào hệ thống dạng mặt bích nên khi lắp đặt cần lưu ý một số điểm sau:
- Có thể dùng miếng đệm giữa mặt bích và van để tăng độ kín cho hệ thống.
- Kích thước mặt bích của đường ống phải đồng nhất với kích thước mặt bích của van.
- Van được lắp theo phương thẳng đứng.
THÔNG SỐ KỸ THUẬT/TECHNICAL DETAILS
MÃ SẢN PHẨM/CODE SFVX
KÍCH THƯỚC/SIZE DN50 - DN600
SƠN/PAINT Loại Sơn/Type EPOXY
Độ Dầy/Thickness ≥300µm
Màu Sắc/Color XANH | ĐỎ | THEO YÊU CẦU
BLUE | RED | AS REQUIREMENT
TIÊU CHUẨN THIẾT KẾ/DESIGN STANDARD BS EN 1074-3
KHOẢNG CÁCH GIỮA 2 MẶT BÍCH/FACE TO FACE STANDARD BS EN 558-1 TABLE 1 SERIES 14
TIÊU CHUẨN MẶT BÍCH VÀ ÁP SUẤT LÀM VIỆC/FLANGE STANDARD AND PRESSURE RATING BS EN1092-2 PN10/PN16
ISO 7005-2
JIS B2220 JIS 10K/16K
ASME B16.42 125-LB WP-232PSI
NHIỆT ĐỘ LÀM VIỆC/WORKING TEMP -10 ~ 80 oC
Van một chiều lò xo DN50 SHINYI FHFA 0050 3
 
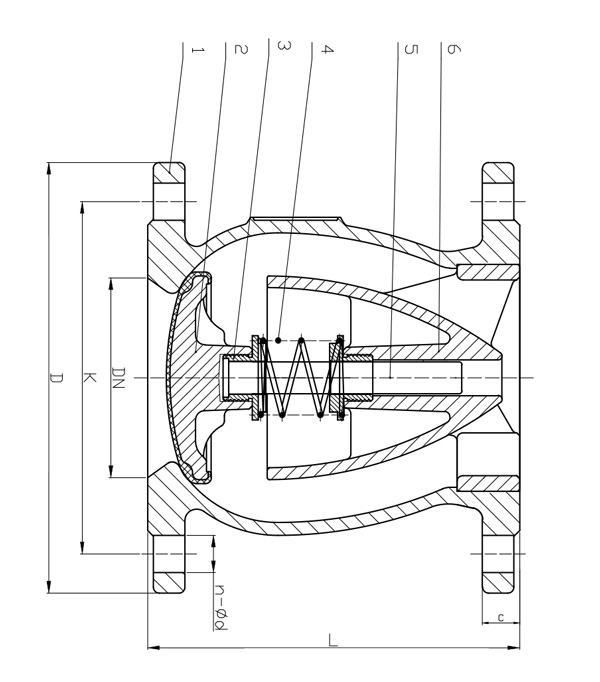
PART LIST & MATERIALS
Part No. Description Materials Materials Code
1 Body Ductile Iron ASTM A536/EN GJS 500-7
2 Disc Ductile Iron + Vulcanized Rubber ASTM A536/EN GJS 500-7 + DI + EPDM
3 Int Hex Bolt Stainless Steel ASTM 304
4 Spring Stainless Steel ASTM A313/304/316
5 Stem Stainless Steel AISI 410/304
6 Diffuser Ductile Iron ASTM A536/EN GJS 500-7
 
DIMENSIONS
DN L D K n-Ød C
PN10 PN16 PN10 PN16 PN10 PN16 PN10 PN16
50 150 165 125 4-Ø19 19
65 170 185 145 4-Ø19 19
80 180 200 160 8-Ø19 19
100 190 220 180 8-Ø19 19
125 200 250 210 8-Ø19 19
150 210 285 240 8-Ø23 19
200 230 340 295 8-Ø23 12-Ø23 20
250 250 405 350 355 12-Ø23 12-Ø28 22
300 270 460 400 410 12-Ø23 12-Ø28 24.5
Đánh giá sản phẩm
Mã bảo mật

 

T2-T7: 8H–17H30
phone KD 01: phone KD 02: hotline HOTLINE: Zalo Zalo Facebook Facebook
Bạn đã không sử dụng Site, Bấm vào đây để duy trì trạng thái đăng nhập. Thời gian chờ: 60 giây