| MÃ SẢN PHẨM/CODE | FBGS | |
| KÍCH THƯỚC/SIZE | DN350 - DN600 | |
| SƠN/PAINT | Loại Sơn/Type | EPOXY |
| Độ Dầy/Thickness | ≥300µm | |
| Màu Sắc/Color | XANH | ĐỎ | THEO YÊU CẦU BLUE | RED | AS REQUIREMENT | |
| TIÊU CHUẨN THIẾT KẾ/DESIGN STANDARD | BS 5155 | |
| API 609 | ||
| KHOẢNG CÁCH GIỮA 2 MẶT BÍCH/FACE TO FACE STANDARD | BS EN 558-1 TABLE 1 SERIES 20 | |
| ISO 5752 TABLE 1 SERIES 20 | ||
| ASME B16.10 | ||
| API 609 | ||
| Mounting Flange ISO 5211 | ||
| TIÊU CHUẨN MẶT BÍCH VÀ ÁP SUẤT LÀM VIỆC/FLANGE STANDARD AND PRESSURE RATING | BS EN1092-2 | PN10, PN16 |
| ISO 7005-2 | ||
| JIS B2220 | JIS 10K/16K | |
| ASME B16.42 | 150LB WP-232PSI | |
| NHIỆT ĐỘ LÀM VIỆC/WORKING TEMP | -10 ~ 80 oC | |
| MÔI TRƯỜNG LÀM VIỆC/FLOW MEDIA | Water Work, Sewage, Petroleum, Chemical, Power Plant and General Industry | |

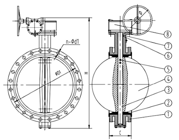
| PART LIST & MATERIALS | |||
| Part No. | Description | Materials | Materials Code |
| 1 | Body | Ductile Iron | ASTM A536/EN GJS 500-7 |
| 2 | Shaft | Stainless Steel | AISI 304/316/420 |
| 3 | Disc | Stainless Steel | ASTM A351 CF8/CF8M |
| 4 | Shaft | Stainless Steel | AISI 304/316/420 |
| 5 | Pin | Stainless Steel | ASTM A351 CF8/CF8M |
| 6 | Bushing | PTFE | Comemercial |
| 7 | O-Ring | Rubber | NBR |
| 8 | Handwheel | Carbon Steel | AISI 1045 |
| DIMENSIONS | |||||
| DN | H | Ø | C | ØD1 | n-Ød1 |
| 350 | 672 | 300 | 190 | 460 | 16-Ø23 |
| 400 | 822 | 300 | 216 | 516 | 16-Ø27 |
| 450 | 902 | 300 | 222 | 565 | 20-Ø27 |
| 500 | 967 | 300 | 229 | 620 | 20-Ø27 |
| 600 | 1105 | 300 | 267 | 725 | 20-Ø30 |
Chưa có sản phẩm
Thêm sản phẩm để yêu cầu báo giá