Thiết bị An toàn Công nghiệp ISO 9001 LOTO Certified OSHA Compliant
2020-04-08
Hàng chính hãng Đầy đủ CO/CQ Bảo hành chính hãng

Van bướm động cơ điện DN100 SHINYI EOM-0100

SKU: SHINYI EOM-0100
Van bướm trục đối xứng DN100 SHINYI EOM-0100
Thông số kỹ thuật
- Mã Hàng : EOM-0100
- Thương hiệu : SHIN YI/ TAIWAN
- Xuất xứ  : Việt Nam
- Kích thước : DN100
- Tiêu chuẩn thiết kế : BS 5155; API 609
- Tiêu chuẩn khoảng cách giữa 2 Mặt Bích : BS EN 558-1 TABLE 1 SERIES 20; BS 5155; ISO 5752 Table 1 Series 20;ASME B16.10; API 609; Mounting Flange ISO 5211
- Tiêu chuẩn mặt bích/Kết nối : BS EN 1092-2: PN10/PN16; ISO 7005-2: PN10/PN16; JIS B2220: JIS 10K/16K
- Màu sắc : Xanh/Đỏ
- Nhiệt độ làm việc : -10~80̊C
- Môi trường làm viêc : Nước sạch, nước thải, Dầu khí, Hóa Chất, Nhà Máy Điện, Công Nghiệp
GIÁ THAM KHẢO
Bao
Tư vấn kỹ thuật:
Thông tin sản phẩm
Van bướm động cơ điện DN100 SHIN YI EOM-0100
Van Bướm là loại van dùng để đóng hoặc mở dòng chảy trong đường ống bằng một lá van dạng đĩa được gắn cố định trên ty van ép chặt vào vòng đệm cao su được đúc sẵn trong thân van.
Van Bướm động cơ điện là loại van bướm dạng kẹp có gắn thêm động cơ điện để vận hành đóng mở tự động từ trung tâm điều khiển, thường dùng cho các kích thước từ DN50 - DN300. Có thể kết hợp với các hệ thống đóng mở từ xa bằng hồng ngoại hoặc thiết bị điều khiển không dây.
Van bướm động cơ điện DN50 SHINYI EOM 0050 1

Cấu tạo:
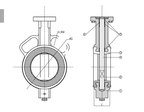
Van bướm động cơ điện được cấu tạo bởi 05 thành phần chính: Thân van, Vòng đệm, lá van (đĩa van), ty van và hộp động cơ điện
- Thân van: được đúc từ gang cầu FCD450, hai mặt được phủ bởi lớp sơn epoxy cao cấp với độ dày ≥300 μm.
- Vòng đệm: Sản xuất từ cao su EPDM độ bền cao, được đúc sẵn cố định vào thân van, phù hợp với tiêu chuẩn nước sạch. Khả năng đàn hồi của vòng đệm là yếu tố làm tăng độ kín của van.
- Lá van: dạng đĩa tròn được sản xuất từ Inox CF8/CF8M, phù hợp với cả môi trường nước sạch và nước thải.
- Ty van: sản xuất từ Inox 304/316/420, gồm hai phần trên và dưới được gắn cố định vào lá van đối xứng nhau theo chiều thẳng đứng.
- Hộp động cơ điện: dòng điện áp dụng là DC 12v, 24v - AC 220v, 380v 50/60Hz
Van bướm động cơ điện DN50 SHINYI EOM 0050 2

Nguyên lý hoạt động:
- Khi van được đóng kín (góc mở lá van 0°) lá van sẽ ngăn chặn hoàn toàn dòng chảy trong đường ống và khi van được mở hoàn toàn (góc mở lá van 90°) lá van sẽ nằm song song với dòng chảy, lưu lượng dòng chảy trong đường ống là lớn nhất.
- Ngoài ra chúng ta có thể mở lá van theo các góc mở khác nhau để điều tiết lưu lượng dòng chảy tuy nhiên nhà sản xuất khuyến cáo việc mở lá van dưới 90° sẽ làm giảm tuổi thọ của van.
Ưu điểm:
- Vận hành đóng mở nhẹ nhàng bằng tay quay chỉ thông qua lực vặn của tay người.
- Van được sản xuất từ gang cầu FCD450, Inox CF8/CF8M, cao su EPDM cho độ bền cao, chống rỉ sét, an toàn cho nguồn nước sạch.
- Giá thành rẻ, trọng lượng van nhẹ, thiết kế gọn, ít tốn diện tích khi lắp đặt.
Lưu ý khi lắp đặt:
Van bướm động cơ điện được lắp đặt vào hệ thống dạng kẹp nên khi lắp đặt cần lưu ý một số điểm sau:
- Mở lá van bướm ở góc mở khoảng 1/4 trước khi lắp đặt để tránh biến dạng vòng đệm cao su khi siết quá chặt, có thể gây kẹt lá van hoặc rò rỉ nước.
- Khoảng cách giữa hai mặt bích phải vừa đủ để lắp đặt van, tránh bị biến dạng vòng đệm.
- Không dùng miếng đệm giữa mặt bích và van.
- Kích thước mặt bích phải bằng kích thước van.
- Không hàn mặt bích gần van bướm đã lắp đặt.
- Van có thể lắp linh động theo phương thẳng đứng hoặc phương ngang tùy nhu cầu sử dụng.
THÔNG SỐ KỸ THUẬT/TECHNICAL DETAILS
MÃ SẢN PHẨM/CODE EOM
KÍCH THƯỚC/SIZE DN50 - DN600
SƠN/PAINT Loại Sơn/Type EPOXY
Độ Dầy/Thickness ≥300µm
Màu Sắc/Color XANH | ĐỎ | THEO YÊU CẦU
BLUE | RED | AS REQUIREMENT
TIÊU CHUẨN THIẾT KẾ/DESIGN STANDARD BS 5155
API 609
KHOẢNG CÁCH GIỮA 2 MẶT BÍCH/FACE TO FACE STANDARD BS EN 558-1 TABLE 1 SERIES 20
ISO 5752 TABLE 1 SERIES 20
ASME B16.10
API 609
Mounting Flange ISO 5211
TIÊU CHUẨN MẶT BÍCH VÀ ÁP SUẤT LÀM VIỆC/FLANGE STANDARD AND PRESSURE RATING BS EN1092-2 PN10, PN16
ISO 7005-2
JIS B2220 JIS 10K/16K
ASME B16.42 150LB WP-232PSI
NHIỆT ĐỘ LÀM VIỆC/WORKING TEMP -10 ~ 80 oC
MÔI TRƯỜNG LÀM VIỆC/FLOW MEDIA Water Work, Sewage, Petroleum, Chemical, Power Plant and General Industry
Van bướm động cơ điện DN50 SHINYI EOM 0050 3
 
BODY PART LIST & MATERIALS
Part No. Description Materials Materials Code
1 Body Ductile Iron ASTM A536/EN GJS 500-7
2 Disc Stainless Steel ASTM A351 CF8/CF8M
3 Seat Rubber NBR/EPDM
4 Shaft Stainless Steel AISI 304/316/420
5 Bolt Carbon Steel + Galvanized AISI 1025 + Galvanized
6 Washer Carbon Steel + Galvanized AISI 1025 + Galvanized
 
BODY DIMENSIONS
DN H Ø C
50 316 150 42
65 339 150 44.7
80 351 150 45.2
100 389 150 52.1
125 415 150 54.4
150 440 150 55.8
200 521 300 60.6
250 581 300 65.6
300 662 300 76.9
Van bướm động cơ điện DN50 SHINYI EOM 0050 4
 
MOTOR DIMENSIONS
MODEL A B C D E F G H ØI J
EOM2 265 123 79 216 120 240 14x14 35 70 4-M8
EOM3 265 123 79 216 120 240 17x17 35 70 4-M8
102 4-M10
EOM4 321 187 103 262 150 297 22x22 55 102 4-M10
EOM5 321 187 103 262 150 297 22x22 55 102 4-M10
27x27 125 4-M12
EOM6 321 187 103 262 150 297 27x27 55 125 4-M12
EOM7 321 187 103 262 150 297 27x27 55 125 4-M12
140 4-M16
EOM8 378 241 119 293 161 346 27x27 65 125 4-M12
140 4-M16
EOM9 378 241 119 293 161 346 36x36 65 125 4-M12
140 4-M16
165 4-M20
EOM10 532 116 215 293 302 182 46x46 85 140 4-M16
165 4-M20
EOM11 532 116 215 293 302 182 46x46 85 140 4-M16
165 4-M20
 
MOTOR TORQUE INFORMATION
MODEL Power
(W)
Max output torque (N-m) Open/Close
Time
(Sec)
IS Q5211
Std
Weight
(kg)
DC24V
1 Phase
AC220V/50Hz
1 Phase
AC 380V/50Hz
3 Phase
On/Off Modulating On/Off Modulating On/Off Modulating
EOM1 10 20 35 26     13 F03/F05/F07 2.8
EOMA 15 35 50 38     13 F03/F05/F07 3
EOMB 15 60 80 60     25 F03/F05/F07 3.2
EOM2 40 60 80 60 80 60 19 F07 13
EOM3 40 100 200 150 220 165 39 F07 13
EOM4 60 200 400 300 600 450 29 F10 20
EOM5 60 250 600 450 800 600 39 F10/F12 20
EOM6 60 300 800 600 1000 750 47 F12 20
EOM7 90 420 1000 750 1200 900 47 F12 20
EOM8 250   1500 1050 1700 1200 34 F12/F14 36
EOM9 250   2000 1400 2200 1540 47 F12/F14 36
EOM10 250   3000 2250 3200 2400 76 F14/F16 55
EOM11 250   4000 3000 4200 3150 103 F16 55
                     
Đánh giá sản phẩm
Mã bảo mật

 

T2-T7: 8H–17H30
phone KD 01: phone KD 02: hotline HOTLINE: Zalo Zalo Facebook Facebook
Bạn đã không sử dụng Site, Bấm vào đây để duy trì trạng thái đăng nhập. Thời gian chờ: 60 giây