Chất lượng kết cấu vượt trội đồng nghĩa với việc tời tay MAXPULL ESB với thiết kế bằng thép không gỉ và tay cầm xoay mang lại tuổi thọ cao, hoạt động trơn tru và độ tin cậy, phù hợp với nhiều ngành công nghiệp và ứng dụng.
Ngoài ra, kết thúc bằng thép không gỉ với bề mặt được đánh bóng điện giúp cho những chiếc tời kéo tay này có khả năng chống gỉ, muối và hóa chất tuyệt vời. Hơn nữa, mỗi sản phẩm đều có thiết kế kèm theo và chiều dài cần tay quay có thể điều chỉnh được. Chọn phiên bản SI cho các ứng dụng nâng hạ.
Trong chế biến thực phẩm và trong môi trường chống tia lửa. Với sự sạch sẽ, vệ sinh và khả năng làm sạch môi trường trở nên quan trọng hơn bao giờ hết, tời kéo tay MAXPULL ESB thực sự trở thành của riêng mình. Các thiết bị có thể được làm sạch hoàn toàn và lớp hoàn thiện bằng thép không gỉ giúp giảm thiểu mọi nguy cơ hư hỏng cho thiết bị.
Khả năng hoạt động dễ dàng
Do hiệu suất cơ học cao, tải trọng bằng tay trong quá trình vận hành cực kỳ nhẹ so với các loại tời của các công ty khác, và công việc dễ dàng. Do được thiết kế nhỏ gọn nên nhẹ và rất tiện lợi khi mang theo. Ngoài ra, thân máy chính có thể dễ dàng cố định bằng các bu lông được chỉ định. Một tính năng lớn hơn nữa là mỗi bộ phận được làm bằng cách ép, và toàn bộ được lắp ráp bằng bu lông, vì vậy nó có thể dễ dàng tháo rời. Ngay cả trong trường hợp sửa chữa, bất cứ ai cũng có thể dễ dàng sửa chữa và lắp ráp theo hướng dẫn sử dụng chỉ bằng cách mua các bộ phận.
Độ bền vượt trội
Vòng bi từ các nhà sản xuất hàng đầu được sử dụng cho tất cả các vòng bi. Dây quấn nhẹ, và nó thể hiện sức mạnh vượt trội chống mài mòn. Ngoài ra, bộ giảm tốc sử dụng bánh răng dựa trên phương pháp ăn khớp độc đáo của chúng tôi đã trải qua quá trình xử lý nhiệt đặc biệt, cho phép bạn làm việc với nhiều không gian. Phanh cơ còn có cơ cấu cho phép bạn tự do điều chỉnh lên số nên có độ bền cực tốt. Ngoài ra, vì bề mặt hoàn toàn được mài và nung nên nó có khả năng chống rỉ sét, bền bỉ và vô song bất kể vị trí làm việc.
An toàn đáng tin cậy
Với chất liệu được chọn lọc kỹ lưỡng cùng thiết kế và công nghệ tiên tiến, chúng tôi tự hào về độ an toàn cực cao. Đặc biệt, các bộ phận chịu tải trọng lớn được kết hợp với các đường gân hoặc tấm kép được tạo ra bằng cách ép chính xác để tăng thêm sức mạnh. Một cơ cấu an toàn kép được sử dụng cho phanh cơ, vì vậy ngay cả khi tác động vào tay đòn, phanh sẽ không được áp dụng. Ngoài ra, dây cáp được cố định vào tang trống với cấu trúc an toàn kép sử dụng tang trống đặc biệt đảm bảo cuộn dây loại bỏ. Việc cố định đầu dây vào tang trống có thể được thực hiện dễ dàng và chắc chắn với cờ lê hình chữ L lục giác đi kèm. Mọi thứ đều là một thiết kế có độ tin cậy cao và an toàn duy nhất của công ty chúng tôi.
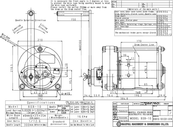
| Mã sản phẩm | ESB-1 | ESB-3 | ESB-5 | ESB-10 |
| Tải trọng | (100kgf) | (300kgf) | (500kgf) | (1000kgf) |
| Dung lượng trống | φ5 * 35m | φ6 * 32m | φ6 * 40m | φ8 * 35m |
| Tỷ lệ giảm tốc | 1/1 | 1 / 6,25 | 1 / 8,9 | 1 / 12,6 |
| Lực căng dây | Lớp 1:143N (14,6kgf) | Lớp 1:76N (7,7kgf) | Lớp 1:109N (11,1kgf) | Lớp 1:133N (13,5kgf) |
| Lớp 3:187N (19,0kgf) | Lớp 3:103N (10,5kgf) | Lớp 3:142N (14,4kgf) | Lớp 2:157N (16,0kgf) | |
| Lớp 4:208N (21,2kgf) | Lớp 5:131N (13,3kgf) | Lớp 5:174N (17,7kgf) | Lớp 3:182N (18,5kgf) | |
| Chiều dài tay cầm | 250mm | 250mm | 250mm | 300mm |
| Trọng lượng | 7,4 kg | 14.3 | 15,6 kg | 16,6 kg |

Loại tiêu chuẩn: Loại nhả phanh

Có thể nhả phanh bằng cách tháo nút hãm khi không có tải. Vì tang trống ở trạng thái chạy không tải, dây có thể dễ dàng kéo dài. Nếu bạn sử dụng theo phương thẳng đứng, tai nạn có thể xảy ra do thao tác sai, vì vậy chúng tôi khuyên bạn nên sử dụng loại "SI", không thể nhả phanh.
Loại SI: Loại có nút đậy

Thiết kế an toàn khi không cần nhả phanh. Nó được sử dụng ở những nơi có thể xảy ra sự cố nếu tay chặn có thể nhả phanh bị lộ ra ngoài, chủ yếu để nâng và hạ các lưới khác nhau cho các phòng tập thể dục của trường cũng như nâng và hạ rổ và bảng khung thành. Bằng cách loại bỏ cánh tay chặn có thể nhả phanh và để tang trống chạy không tải, và bằng cách kết hợp cơ cấu nút chặn trong một nắp ly hợp kín đặc biệt, công việc cuộn và tháo cuộn có thể được thực hiện một cách an toàn mà không gặp nguy hiểm do trục trặc. Nó có thể được sản xuất cho từng Model kiểu GM, kiểu MR và kiểu MC.
Loại SIC: Loại cơ cấu phanh chống bụi và chống nhỏ giọt

Thiết kế bảo vệ có lưu ý đến khả năng chống bụi và nước. Giống như loại SI, không có tay chặn để nhả phanh và để tang trống chạy không tải, và toàn bộ cơ cấu nút chặn được chế tạo trong một nắp ly hợp kín đặc biệt. Để làm cho toàn bộ cơ cấu phanh chống bụi và chống nhỏ giọt, đệm lót ghế được sử dụng cho mặt bích lắp của vỏ ly hợp, và bao bì làm kín được sử dụng cho bộ phận trượt với ly hợp. Ngoài ra, tiếng ồn do cơ cấu phanh tạo ra nhỏ, và ngay cả khi thời gian bảo dưỡng bộ phận phanh tương đối dài so với các dòng xe khác, hoạt động vô cùng êm ái. Nó có thể được sản xuất cho từng Model kiểu GM, kiểu MR và kiểu MC.
Loại NSIL: loại chống ồn

Thiết kế yên tĩnh không có tiếng ồn lạch cạch. Loại này được trang bị phanh không ồn, được phát triển để tránh làm hỏng không khí căng thẳng của rạp hát vào thời điểm mở cửa và phân tán tiếng ồn trong môi trường sống yên tĩnh. Do tác dụng của hai tấm tăng cường từ thông và nam châm vĩnh cửu dị hướng, cơ cấu phanh được giải phóng trong quá trình lái, cho phép cuộn và ngắt không ồn ào, đồng thời phanh tự động hoạt động đồng thời khi dừng hoạt động của vô lăng. . Nếu nam châm và giá đỡ bị mất chức năng do tai nạn bất ngờ, lò xo dự phòng sẽ được kích hoạt ngay lập tức và phanh sẽ được kích hoạt. Với phương pháp này, tang trống không thể trượt do được nhả phanh từ bên ngoài. Nó có thể được sản xuất cho từng kiểu GM và kiểu MC.
Loại LUSI: Loại quay trái

Quay ngược chiều kim đồng hồ để lên dây cót và xoay theo chiều kim đồng hồ để xả gió. Xoay tay cầm ngược chiều kim đồng hồ để lên dây cót và xoay theo chiều kim đồng hồ để lên dây cót. Hình dạng và kích thước giống như tời dây quấn quay theo chiều kim đồng hồ thông thường. Nó có thể được sản xuất cho từng Model kiểu GM, kiểu MR và kiểu MC
Những tời tay này được sử dụng rộng rãi, chẳng hạn như trong chế biến thực phẩm và trong môi trường chống tia lửa. Với sự sạch sẽ, vệ sinh và khả năng làm sạch môi trường trở nên quan trọng hơn bao giờ hết, tời kéo tay MAXPULL ESB thực sự trở thành của riêng mình. Các thiết bị có thể được làm sạch hoàn toàn và lớp hoàn thiện bằng thép không gỉ giúp giảm thiểu mọi nguy cơ hư hỏng cho thiết bị.

Một trong những lợi ích của dòng tời tay MAXPULL là phanh tự động hoạt động. Điều này tạo thêm sự yên tâm cho người vận hành cũng như cho phép vận hành tời kéo bằng một tay.

- "Mục tiêu của chúng tôi là cung cấp các sản phẩm hài lòng cho khách hàng của chúng tôi."
- Chính sách chất lượng này dựa trên chính sách quản lý của chúng tôi rằng "Mục tiêu của chúng tôi là cung cấp cho khách hàng những sản phẩm an toàn và ưng ý."
- Chúng tôi phải tiếp tục nâng cao chất lượng và thách thức chất lượng cao bằng cách học hỏi theo yêu cầu của khách hàng, tiếp tục nghiên cứu và phát triển của tất cả nhân viên và củng cố hệ thống quản lý.
- Thương hiệu “Maxpull” sản xuất tại Nhật Bản chiếm lĩnh hơn 70% thị phần của thị trường thiết bị vận thăng tại Nhật Bản. Maxpull là tời số một của Nhật Bản với tính an toàn số 1.
- Từ khi trở thành nhà sản xuất chuyên ngành năm 1997, Maxpull đã liên tục nỗ lực phấn đấu để tạo thêm những thiết bị tời kéo( tời tay, tời điện) hiệu suất cao hơn, an toàn hơn và có độ bền vững hơn.
Chưa có sản phẩm
Thêm sản phẩm để yêu cầu báo giá