Thiết bị An toàn Công nghiệp ISO 9001 LOTO Certified OSHA Compliant
2021-09-28
Hàng chính hãng Đầy đủ CO/CQ Bảo hành chính hãng

Con chạy đẩy tay chống cháy nổ 3 tấn DAESAN EXDP3

SKU: DAESAN EXDP3
Con chạy chống cháy nổ Daesan được sản xuất bằng cách áp dụng vật liệu ngăn tia lửa điện vào móc, xích tải, thanh dẫn xích và các bộ phận khác để ngăn ngừa cháy nổ và nguy cơ cháy nổ.
GIÁ THAM KHẢO
Thương hiệu
Xuất xứ
Cái
Tư vấn kỹ thuật:
Thông tin sản phẩm

Con chạy đẩy tay chống cháy nổ và tia lửa điện 3 tấn DAESAN EXDP3

Khi bạn không cần nâng hàng ngày, tời kéo tay EXDSN kết hợp với con chạy EXDP & EXDG mang đến giải pháp tối ưu, tiết kiệm chi phí. Nó là lý tưởng khi cơ sở của bạn có nhu cầu nâng hạ ít thường xuyên hơn hoặc bạn muốn có một Palang dự phòng để hỗ trợ các thiết bị nâng khác của bạn trong thời gian bận rộn. Xích thép không gỉ và bảo vệ chống ăn mòn giúp Palăng của bạn có tuổi thọ cao hơn.
Palăng xích kéo tay chống cháy nổ DAESAN EXDSN

Tính năng, đặc điểm của xe con điều khiển bằng tay chống cháy nổ DAESAN

- Con chạy EXDP & EXDG có khả năng chống ăn mòn vượt trội.
- Tất cả các bộ phận bằng thép được mạ niken không điện.
- Đây là điều bắt buộc trong phòng ẩm ướt và trong môi trường rất khắc nghiệt.
- Chiều rộng mặt bích lớn hơn là tùy chọn.
- Bộ đệm cao su để ngăn va chạm
Thông số kỷ thuật của con chạy chống cháy nổ DAESAN Hàn Quốc
- Bánh xe đẩy: bánh xe đẩy được bọc đồng ngăn tia lửa điện
- Rô to, Bánh răng: Mạ niken không điện
- Xích: Xích thép không gỉ, mạ niken điện (xích mạ niken không điện)
- Các chi tiết khác: mạ niken không điện
- Chứng nhận ATEX: EX II 2 GD C IIC T4 5 + 135
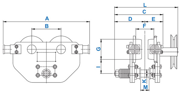
Mã sản phẩm EXDP1 EXDP2 EXDP3 EXDP5 EXDP10
EXDG1 EXDG2 EXDG3 EXDG5 EXDG10
Tải trọng (tấn) 1 2 3 5 10
Lực xích tay (kg) 10 16 20 20 19
Chiều dài xích kéo tay (m) 2,5 3 3 3 3,5
Chiều rộng dầm I (mm) 75 - 125 100 - 150 100 - 150 125 - 175 125 - 200
Bán kính đường cong tối thiểu (mm) 1300 1500 2000 2500 2600
A (Kích thước) (mm) 399 439 480 519 536
B 122 142 163 183 183
C 221.5 253 269.5 300.5 376
D 142.5 160 169 185.5 249
E 79 93 100.5 116 127
G 80 100 113 125 125
I 49 63 78.5 97.5 106
K 26 32 38 50 70
L 305.5 336 351.5 383 448.5
M 22 32 40 45 60
Trọng lượng EXDP (kg) 15 25 38 48 69
Trọng lượng EXDG (kg) 18 28 40 58 79
Thông số Con chạy chống cháy nổ DAESAN EXDP

 

Ứng dụng của con chạy chống cháy nổ Daesan

Con chạy chống cháy nổ Daesan được sản xuất bằng cách áp dụng vật liệu ngăn tia lửa điện vào móc, xích tải, thanh dẫn xích và các bộ phận khác để ngăn ngừa cháy nổ và nguy cơ cháy nổ. Bằng cách sử dụng con chạy chống cháy nổ Daesan, bạn có thể ngăn chặn hiệu quả các tia lửa điện do ma sát với các dụng cụ khác, va chạm với công việc. Ngoài ra, bằng cách áp dụng móc và xích không gỉ, nó có thể được áp dụng trong các nhà máy thực phẩm hoặc các khu vực có độ ẩm cao và ăn mòn cao.
Đánh giá sản phẩm
Mã bảo mật

 

T2-T7: 8H–17H30
phone KD 01: phone KD 02: hotline HOTLINE: Zalo Zalo Facebook Facebook
Bạn đã không sử dụng Site, Bấm vào đây để duy trì trạng thái đăng nhập. Thời gian chờ: 60 giây